黄伟雄申请建设工程规划报批批后公告
我局收到黄伟雄提出的建设工程规划报批手续申请及相关材料。经审查,项目符合要求,我局原则同意批出。现根据《中华人民共和国城乡规划法》、《广东省城乡规划条例》的有关规定,对该项目报批方案进行批后公告。
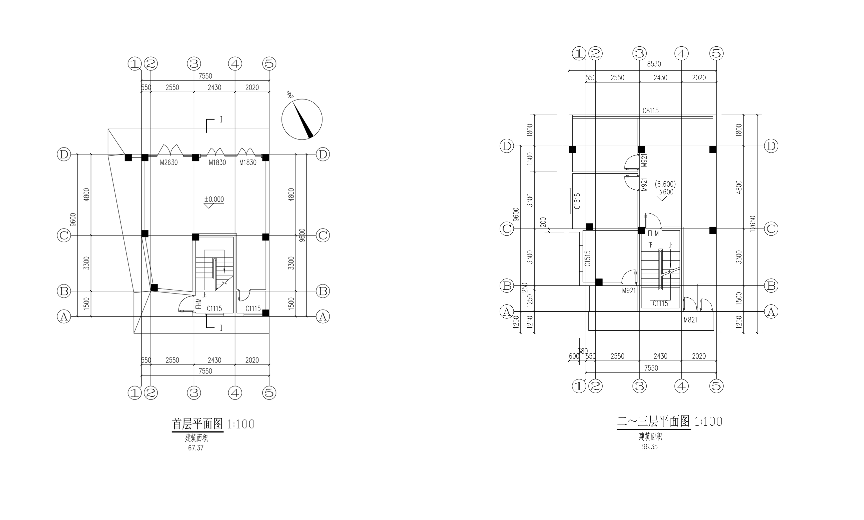
一、项目位置及项目概况:项目位于阳山县阳城镇城南商业大道40号;土地面积为80平方米,用地性质为住宅兼容商服。拟续建第四至五层,总建筑面积205.59平方米,首层建筑面积67.37平方米,二层及以上建筑北侧外飘1.8米,南侧外飘1.25米,建筑高度16.95米。(详见附图)
二、项目内容:黄伟雄商住楼工程规划许可报批
三、公示时间:自公示贴出之日起至规划条件核实合格通知书发出之日止
四、公示方式和地点:
1.建设现场;
2.阳山县政府门户网(http://www.yangshan.gov.cn)。
阳山县规划市政局
2019年1月24日

用地平面图
项目位置图


扫码关注官方公众号
移动门户